买球官方_买球(中国)

人工智能领域

买球官方_买球(中国)

买球官方_买球(中国)

选型热线:

13001738973(王工)

15866635707(王工)

0531-88601217

网址:edehgv.com 

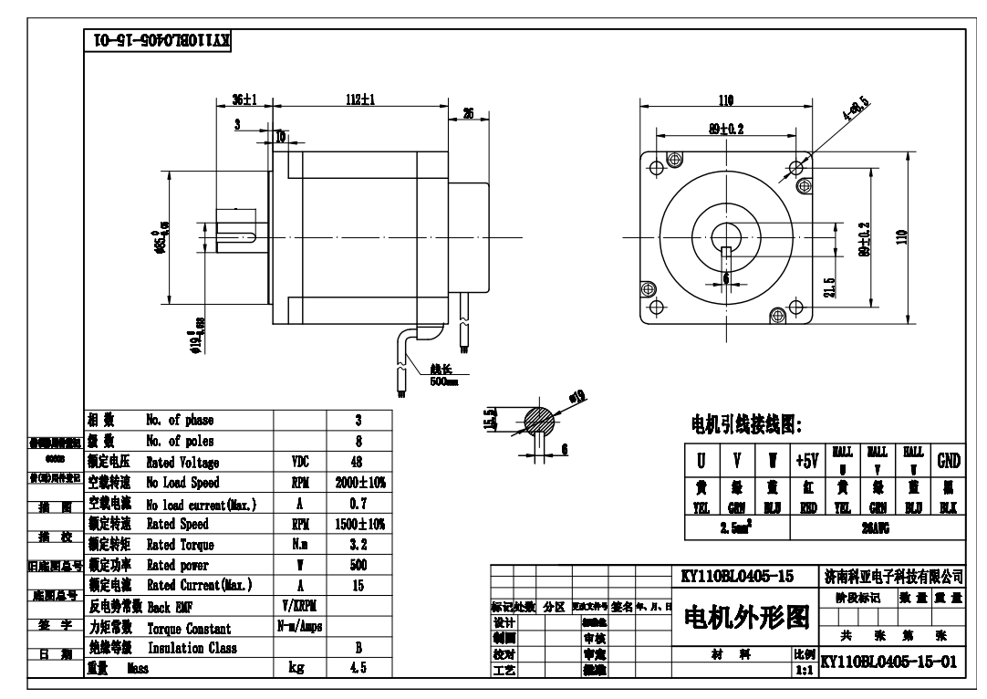
广州直流无刷电机110系列 48V 500W 1500RPM

您的当前位置: 首 页 >> 产品中心 >> 广州直流无刷电机

广州直流无刷电机110系列 48V 500W 1500RPM

详细介绍


110.jpg

KY110BL0405-15.png

电机型号及参数:

●电机型号:KY110BL0405-15

●额定电压:48V

●额定功率:500W

●额定转速:1500RPM

●额定转矩:3.2N.m

●额定电流:15A

●重量:4.5kg


本文网址://edehgv.com/product/698.html

关键词:

最近浏览: