买球官方_买球(中国)

人工智能领域

买球官方_买球(中国)

买球官方_买球(中国)

选型热线:

13001738973(王工)

15866635707(王工)

0531-88601217

网址:edehgv.com 

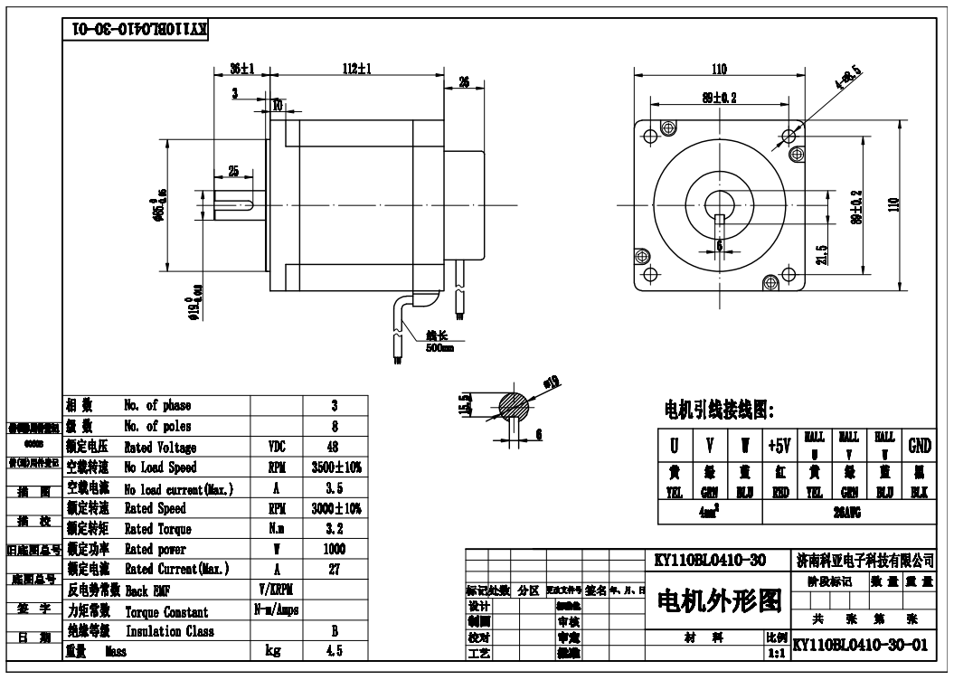
河北直流无刷电机110系列 48V 1000W 3000RPM

您的当前位置: 首 页 >> 产品中心 >> 河北直流无刷电机

河北直流无刷电机110系列 48V 1000W 3000RPM

详细介绍

110.jpg

KY110BL0410-30.png

电机型号及参数:

●电机型号:KY110BL0410-30

●额定电压:48V

●额定功率:1000W

●额定转速:3000PM

●额定转矩:3.2N.m

●额定电流:27A

●重量:4.5kg


本文网址://edehgv.com/product/700.html

关键词:

最近浏览: